Schematics
Amps
Assorted Amps
- there are all new and I haven't had a chance to add them to this page, but I wanted to make it available to everyone...
U1226 (
1 - 64KB
,
2 - 137KB
)
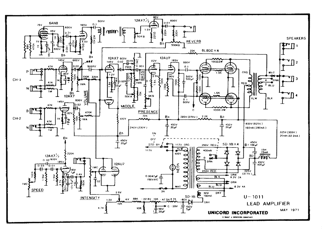
U1011 (
1 - 48KB
,
2 - 144KB
)
U1221
(130 KB)
U1236
(91 KB)
U1246
(97 KB)
25W Tube Amp
(111 KB)
U1000
(131 KB)
U1050 Bass Amp
(103 KB)
U1061
(115 KB)
U1075
(120 KB)
U1086
(132 KB)
U150RX
(117 KB)
U250PB (
1 - 90KB
,
2 - 75KB
)
U255R
(101 KB)
U305RR
U4100
(104 KB)
U-45B
(66 KB)
U-45B
(21 KB PDF)
U50
(108 KB)
U-65rn
(97 KB)
ULM-6
(38 KB)
PA-960 Control Amp
(126 KB)
PA-960 Column Amp
(76 KB)
Stage 720 Keyboard
(PDF)
Stage 740 PA
(PDF)
Stage 750 Bass
(PDF)
Effects
EC-80
w/ Manual (135 KB)
EC-100 w/ manual
1
(124 KB),
2
(184 KB) (887 KB)
PHZ-1 Phaser
w/ Manual (191 KB)
Squarewave
w/ Manual (141 KB)
Superfuzz
(81 KB)
Superfuzz
(15 KB)
Unidrive
(40 KB)
Unifuzz
w/ Manual (111 KB)
Uni-Phase
(20 KB) (very hard to read)
Uni-Vibe
(75 KB)
Univibe w/ manual
1
(160 KB),
2
(185 KB)
Guitars
Westbury Custom Pickups
(12KB) This is the real schematic for how the Westbury Custom and Super Custom were wired with the 6-position varitone.
Go back to the
Univox Page